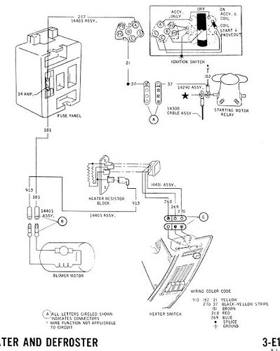
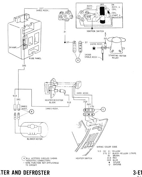
I’m having a little trouble figuring out the wiring for the blower motor for my '68 XR-7.
Since I have A/C, I’m guessing it should be wired as such:
Yellow from the resistor to the orange lead on the motor.
And the black lead on the motor to ground.
However, I have a yellow wire and a brown wire.
that looks like it belongs to a car without A/C.
You can see the orange lead and black lead at the top of this picture:
Does the brown wire just not get used in a car with A/C or does it need to go somewhere?
Thanks!



